Close Menu
  • İMALAT
    • CNC
    • DELME İŞLEMLERİ
    • FREZELEME
    • İŞ GÜVENLİĞİ
    • KALIPÇILIK
    • KAYNAK TEKNOLOJİSİ
    • MALZEME BİLGİSİ
    • TAŞLAMA
    • TORNALAMA
  • YENİLİKÇİ ÜRETİM YÖNTEMLERİ
    • 3d Tarayıcılar
    • 3d Yazıcı ile Baskı
    • Elektro Erozyon İle İşleme
    • Lazer İle İşleme
    • Su Jeti İle İşleme
  • MAKİNE ELEMANLARI
  • HİDROLİK PNÖMATİK
  • TEKNİK RESİM
    • Bilgisayar Destekli Çizim
    • CADCAM
    • KATI MODELLEME
    • TASARI GEOMETRİ
    • TEKNİK RESİM DERSLERİ
  • KONU ANLATIMLARI
    • MESLEKİ YABANCI DİL
    • İLK YARDIM BİLGİSİ
  • MATERYALLER
    • SINAV SORULARI
    • YILLIK PLANLAR
    • TEKNİK TABLOLAR
  • BİLİM ve TEKNOLOJİ
    • İlginç – Pratik Fikirler
    • Teknoloji Keşfi
    • Ücretsiz Program İndirme
  • OTOMOBİL
    • ARAÇ BAKIM ONARIM
    • Ehliyet Sınavı Hazırlık Testleri
    • Güvenli Sürüş Eğitimi
    • Araç ve Motor Bilgisi
  • SORU SOR
Makine Eğitimi
  • Makineler
    • MAKİNE ELEMANLARI
      • Dişliler
      • Kamlar
      • Kavrama ve Flanşlar
      • Kayış Kasnak-Kama
      • Mil-Muylu
      • Perçinler
      • Pim Perno ve Segmanlar
      • Rulman ve Yatak
      • Rondela-Gupilya
      • Vidalı Birleştirmeler
      • Yaylar
    • Hidrolik Pnömatik
    • Araç ve Motor Bilgisi
  • İmalat
    • Bilgisayar Destekli İmalat
      • CAD-CAM
      • Cnc Programlama
    • Bilgisayar Destekli Tasarım
      • Bilg. Destekli Çizim
      • Katı Modelleme-Animasyon
    • İmalat İşlemleri
      • Temel İmalat İşlemleri
      • Tornalama
      • Frezeleme
      • Markalama
      • Rayba Çekme
      • Taşlama
      • Vidalar ve Vida Çekme
    • İş güvenliği
    • Kalıp Tasarımı
    • Kaynakçılık
    • Malzeme Bilgisi
    • Ölçme Kontrol Bilgisi
      • Komparatörler
      • Kumpaslar
      • Malzeme Muayenesi ve Sertlik ölçme
      • Mastarlar
      • Mikrometreler
    • Teknik Resim
      • Tasarı Geometri
      • Teknik Resim Dersleri
      • Teknik Resim Örnekleri
    • Yenilikçi Üretim Yöntemleri
      • Elektro Erozyon
      • Lazer ile İşleme
      • Su jeti İle İşleme
      • 3D Yazıcı İle Baskı
      • 3D Tarayıcılar
  • Teknoloji Keşfi
    • Bilişim Teknolojileri
    • İmalat teknolojileri
    • Gündelik Yaşam
    • Otomotiv ve Araç Tekn.
    • Tarım Teknolojileri
    • Teknoloji Tarihi
    • Sağlık ve Tıp Teknolojileri
    • Savunma ve Havacılık
  • Pratik Yaşam
    • İlginç – Pratik Fikirler
    • Pratik Bilişim
      • Bilgisayar İpuçları
      • Program Tanıtımları
      • Ücretsiz Yazılımlar
    • Pratik Sürüş
      • Araç Bakımı ve Onarımı
      • Güvenli Sürüş Eğitimi
      • Ehliyet Sınavı Hazırlık Test
  • Genel Kültür
    • Spor
    • Tarih
    • Yaşam
  • Soru Sor
  • EVRAK İNDİR
    • Antetli Kağıtlar
    • Tezgah Kullanım Talimatları
    • Temel İmalat Temrinleri
    • Tablo ve Çizelgeler
    • Sınav Soruları
    • Yıllık Planlar
  • Mesleki İngilizce Dersleri
  • Proje Performans Ödevleri
  • Online Testler
    • İlk Yardım
    • Mesleki Yabancı Dil
Makine Eğitimi
Ana Sayfa»Katı Model Çizim Dersleri»Solidworks Katı Model Uygulama-8 / Süpürme

Solidworks Katı Model Uygulama-8 / Süpürme

Sayfa içeriği: Katı modelleme uygulama çalışmaları için kullanabileceğimiz örnek parçanın ölçülendirilmiş 3 görünüşü, hazır antetli katı model hazırlama temrin uygulaması. Video ve resimli anlatım. Süpürerek katı oluşturma komutunun kullanımını pekiştirmek için faydalı olabilir.

  • Video Anlatım
  • Resimli Anlatım
solidworks uygulamaları alıştırmalar
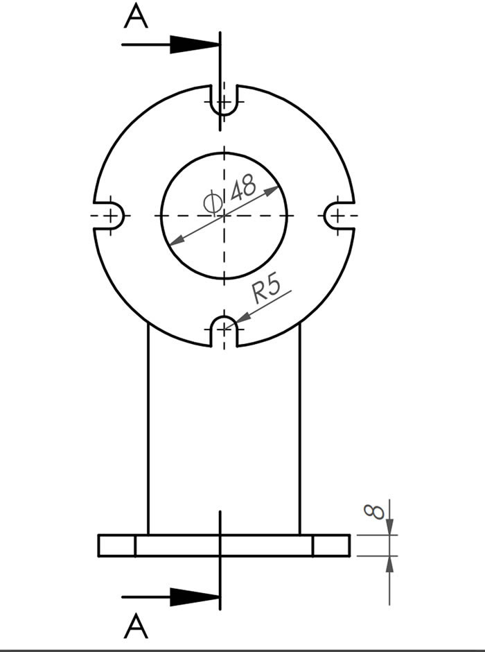
ÖN GÖRÜNÜŞ
solidworks dersleri süpürme komutu örneği
SOL YAN KESİT GÖRÜNÜŞ
katı modelleme çalışmaları
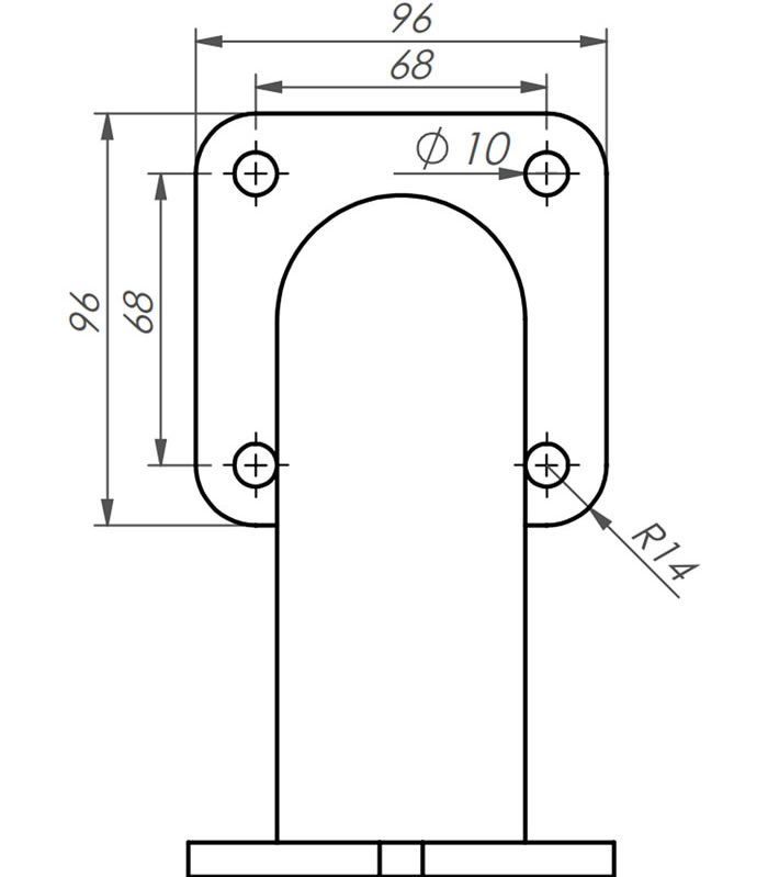
ÜST GÖRÜNÜŞ
katı model uygulaması solid modelling practice

Yan tarafta, uygulama parçasının perspektif ve 3 görünüş çizimi verildi. Okullarda temrin olarak kullanımına imkan sağlayan hazır antetli ve PDF formatındadır.

PDF İNDİR <<

solidworks katı modelleme dersi temrin süpürme komutu örnek uygulama

Video Anlatım

Watch this video on YouTube.

Resimli Anlatım

solidworks 2d sketch circle

Ön düzlemde bir çizim açıp, orjini merkez alarak 48 ve 100 mmlik daireler çizelim. Ardından 43 mmlik mesafe ile Ø10 daire ve 100 mmlik daireden bu daireye teğetler çizelim

solidworks dairesel çoğaltma

Ardından Dairesel çoğaltma komutunu kullanarak aynı şeklin 90 derecelik aralıklarla 3 kopyasını oluşturalım. Sonra gereksiz kısımları budayalım.

solidworks practices lessons

Ardından Ekstrüzyonla katı oluşturma komutuyla bu şekle 8mm kalınlık verelim ve katı unsur oluşturalım.

solidworks süpürerek katı oluşturma nasıl yapılır

Daha sonra sağ düzlemde yeni bir çizim açıp yukarıdaki gibi bir ucu orjinde olan 122 mm yarıçaplı çeyrek yay çizelim.

solidworks süpürme komutu uygulama

Daha sonra oluşturduğumuz katı unsurun arka yüzüne tıklayıp yeni çizim açalım ve 53 mmlik bir daire çizelim. (boru iç çapı 48 olduğuna göre 5 mmlik et kalınlığı verebilmek için bu 53mmlik daireyi çizdik)

solidworks dersleri süpürme uygulaması

Ardından süpürerek katı oluşturma komutunu alalım ve ilk olarak (sol menüde mavi kısım aktifken) bu çizdiğimiz daireyi, sonra (sol menüde pembe kısım aktifken) 122 mm yarıçaplı yayı seçelim. Seçeneklerde İNCE UNSUR kısmını işaretlemeyi unutmayalım.

Daha sonra parçayı yukarıdaki gibi çevirip okla gösterilen yüzeyde bir çizim açalım. Burada yeni bir katı unsur oluşturacağız.

Ardından yukarıdaki şekli çizip, ekstrüzyonla katı oluşturma komutuyla 8 mm kalınlık verelim. Katı modelimiz hazır olacak.

Paylaş. Facebook Twitter WhatsApp Tumblr Email Telegram Copy Link
İlginizi Çekebilir

Solidworks 3d Basit Uygulama 1

Solidworks Örnek Katı Model Çizimi-2

Solidworks Örnek Katı Model Çizimi -3 / Video + Dokuman

Solidworks Katı Model Uygulaması-4 / Video + Materyal

Solidworks Katı Model Uygulama-5 / Loft ve Kabuk

Solidworks Katı Model Uygulama-6

Yorumlayın Cevabı İptal Et


Lazer mi, Su Jeti mi, Hangisi Daha İyi?
Emme manifoldu nedir. Görevi nedir. Arızası nasıl anlaşılır
Bakım ve onarım işlerinde iş kazaları slayt
3D Baskıda Kullanılan Malzemeler
  • İletişim
  • Kullanım Koşulları-Hizmet Şartları
  • Gizlilik ve Çerez Politikası

Makine Eğitimi. Makine teknolojisi, otomotiv teknolojisi ders notları slayt sunu video ve dokumanlar. Makine bölümü dersleri.

Facebook Pinterest Tumblr

Yukarıya yazın ve aramak için Enter tuşuna basın. İptal etmek için Esc tuşuna basın.