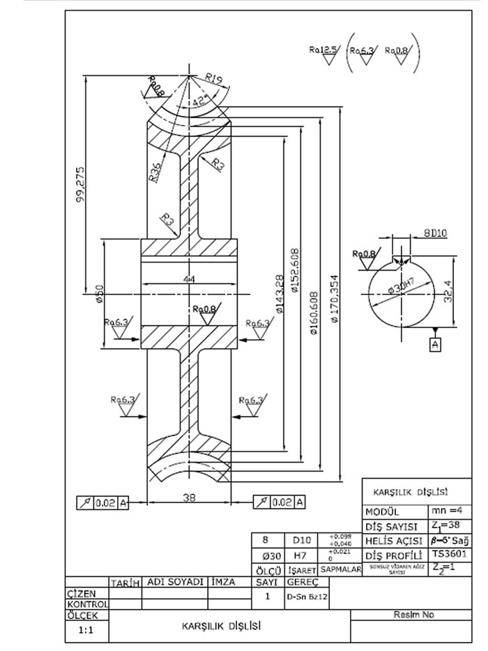
Sonsuz vida ve karşılık dişlisi yapım resmi. Teknik resimler.

Sonsuz vidalı mil yapım resmi
Autocad DWG // PDF

Sonsuz vida antetli yapım resmi
Autocad DWG // PDF

Sonsuz vida dişlisi yapım resmi
AutoCAD DWG çizimi İNDİR

Sonsuz vida karşılık dişlisi teknik resim
PDF // Autocad DWG

